Линия переработки подсолнечника от 50 – 100 т/с (c жаровней)
Комплект технологического оборудования, предназначенный для получения подсолнечного масла и жмыха из семян подсолнечника. Комплексная линия снабженна автоматизированной системой управления которая контролирует все процессы, регистрирует все основные производственные показатели обеспечивая управление всеми этапами переработки семян подсолнечника - от приёмки сырья до отгрузки готовой продукции.
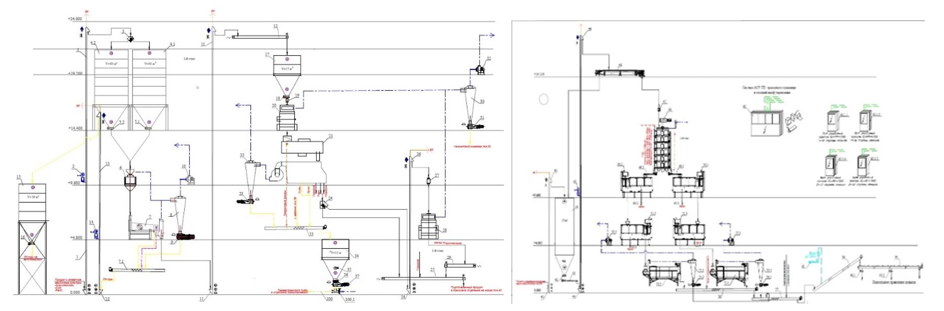
Основу технологической линии составляют 3 отделения:
- подготовительное отделение:
- рушально-веечное оборудование
- оборудование для сепарирования и плющения ядра перед прессованием;
- прессовое отделение:
- высокоэффективные маслопрессы 1-ой и 2-ой ступени отжима
- жаровни для разогревания сырья
- охладитель для охлаждения жмыха
- отделение фильтрации масла:
- фильтр для первичной очистки масла.
Каждая единица оборудования подбирается для конкретного технологического процесса в соответствии с необходимой мощностью линии.
Назначение
Линия переработки подсолнечника предназначена для получения качественного жмыха с минимальной остаточной масличностью и максимального выхода подсолнечного масла из маслосемян. Подсолнечное масло можно использовать как в пищевых, так и в технических целях. Жмых идет на корм скоту, либо используется в качестве добавки богатой протеином при производстве комбикормов. Технологическое оборудование линии в кратчайшие сроки обеспечивает предприятие белковым сырьем и является инструментом для импортозамещения.
Сырье и продукты
Сырье - маслосемена подсолнечника, продукты – подсолнечный жмых и подсолнечное масло.
Состав технологической линии:
При комплектации линии в зависимости от производительности и потребности заказчика может быть использовано следующее оборудование собственного производства:
- Бункер приемный;
- Шибер;
- Нория зерновая;
- Магнитный сепаратор;
- Клапан перекидной 2-х сторонний с электроприводом;
- Зерноочистительный сепаратор CL-S;
- Семенорушильная машина;
- Семеновеечная машина;
- Плющильная машина;
- Шнековый конвейер U-образный;
- Вентилятор центробежный;
- Шнековый конвейер U-образный наклон;
- Цепной транспортер;
- Оперативная емкость;
- Нория цепная;
- Жаровня;
- Маслопpecc GL-RP-1000;
- Маслопpecc GL-OP-1000;
- Емкость для масла с мешалкой GL-G;
- Измельчитель жмыха;
- Установка охладительная GL-ОE-1000;
- Фильтр вертикальный напорный пластинчатый;
- Насoс шестеренчатый НШ;
- Hacoc центробежный SHOE;
- Емкость для первичного накопления масла GL-TA;
- Установка компрессорная;
- Воздуходувка роторная;
- Шкаф управления;
- Комплект металлоконструкций;
- Комплект монтажных материалов
Технология
В технологических схемах линии переработки подсолнечника применяются технологии ДВУКРАТНОГО ПРЕССОВАНИЯ с разогревом сырья в жаровнях с целью получения максимального выхода масла. Использование разных модификаций и схем подключения оборудования позволяет предложить разные варианты проектных решений по производительности, с учетом технических требований заказчиков.

Технологические этапы
Технологическая схема линии переработки подсолнечника включает следующие операции:
- взвешивание семян (дополнительная функция)
- очистка семян от пыли, песка, камней, крупных примесей и металлических примесей;
- шелушение и отделение лузги от ядра;
- плющение;
- разогрев в жаровне
- первичное прессование;
- вторичное прессование;
- очистка масла (фильтрация);
- хранение и отпуск масла;
- охлаждение, хранение и отпуск жмыха;
- увлажнение жмыха (дополнительная функция).
Перед первичным прессованием маслосемена подсолнечника очищают от сорных, масличных и металлических примесей. К примесям относятся оболочки, остатки листьев и стеблей, песок, комочки земли, камни, семена дикорастущих и культурных растений, поврежденные семена основной культуры. Подсолнечник, направляемый на очистку в сепаратор, сортируется на двух парах сит, расположенных параллельно в ситовом корпусе (верхняя и нижняя пара сит).
Для маслосемян подсолнечника применяются сита, указанные в таблице:
|
№п/п |
Наименование сырья |
Верхнее сито, тип, типоразмер, мм. |
Нижнее сито (подсевное), тип, типоразмер, мм. |
|
|
Подсолнечник |
круглая ячейка Ø12мм |
продольная ячейка 1,4х10 |
Типоразмер сит может быть подобран предприятием в индивидуальном порядке с учетом особенностей сырья.
Сход с верхнего сита - крупные примеси, проход нижнего сита - мелкие примеси. В аспирационной камере сырье очищается от легких сухих не прилипающих частиц. Для отделения частиц используется потеря скорости и сила инерции.
После сепарирования маслосемена поступают на рушально-веечное оборудование, на котором осуществляется процесс обрушения и отделения лузги подсолнечника от ядра и далее плющение и формирование мятки перед прессованием.
Очищенные и подготовленные маслосемена подсолнечника поступают в прессовое отделение, где проходят процесс разогрева в жаровнях и после подогрева подсолнечник поступает на первое прессование, где отжимается около 60-70% масла. После 1-ой ступени прессования горячий жмых направляется на второе прессование. На 2-ой ступени прессования отжимается остаточное масло, которое в дальнейшем собирается, проходит систему фильтрации и поступает в емкости для хранения с последующей отгрузкой в автотранспорт. После отжима масла полученный жмых охлаждается и подается в склад для хранения и дальнейшей отгрузки.
Технологический процесс проходит в автоматическом режиме и управляется из операторской. Для управления и обслуживания линии необходимо 1-2 человека. В комплекте поставки может быть предусмотрен комплект видеонаблюдения и удаленный доступ.
Преимущества
- Собственное производство
- Возможность льготного финансирования по линии лизинга
- Быстрая окупаемость
- Универсальность
- Высокая производственная мощность
- Оптимально используется помещение
- Загрузка линии 30 дней в году
- Надежность, устойчивость изнашиваемых деталей
- Бесперебойность работы 24/7
Линия переработки подсолнечника предназначена для получения качественного жмыха с минимальной остаточной масличностью и максимального выхода подсолнечного масла из маслосемян. Подсолнечное масло можно использовать как в пищевых, так и в технических целях. Жмых идет на корм скоту, либо используется в качестве добавки богатой протеином при производстве комбикормов. Технологическое оборудование линии в кратчайшие сроки обеспечивает предприятие белковым сырьем и является инструментом для импортозамещения.
Сырье и продукты
Состав технологической линии:
При комплектации линии в зависимости от производительности и потребности заказчика может быть использовано следующее оборудование собственного производства:
- Бункер приемный;
- Шибер;
- Нория зерновая;
- Магнитный сепаратор;
- Клапан перекидной 2-х сторонний с электроприводом;
- Зерноочистительный сепаратор CL-S;
- Семенорушильная машина;
- Семеновеечная машина;
- Плющильная машина;
- Шнековый конвейер U-образный;
- Вентилятор центробежный;
- Шнековый конвейер U-образный наклон;
- Цепной транспортер;
- Оперативная емкость;
- Нория цепная;
- Жаровня;
- Маслопpecc GL-RP-1000;
- Маслопpecc GL-OP-1000;
- Емкость для масла с мешалкой GL-G;
- Измельчитель жмыха;
- Установка охладительная GL-ОE-1000;
- Фильтр вертикальный напорный пластинчатый;
- Насoс шестеренчатый НШ;
- Hacoc центробежный SHOE;
- Емкость для первичного накопления масла GL-TA;
- Установка компрессорная;
- Воздуходувка роторная;
- Шкаф управления;
- Комплект металлоконструкций;
- Комплект монтажных материалов
В технологических схемах линии переработки подсолнечника применяются технологии ДВУКРАТНОГО ПРЕССОВАНИЯ с разогревом сырья в жаровнях с целью получения максимального выхода масла. Использование разных модификаций и схем подключения оборудования позволяет предложить разные варианты проектных решений по производительности, с учетом технических требований заказчиков.

Технологические этапы
Технологическая схема линии переработки подсолнечника включает следующие операции:
- взвешивание семян (дополнительная функция)
- очистка семян от пыли, песка, камней, крупных примесей и металлических примесей;
- шелушение и отделение лузги от ядра;
- плющение;
- разогрев в жаровне
- первичное прессование;
- вторичное прессование;
- очистка масла (фильтрация);
- хранение и отпуск масла;
- охлаждение, хранение и отпуск жмыха;
- увлажнение жмыха (дополнительная функция).
Перед первичным прессованием маслосемена подсолнечника очищают от сорных, масличных и металлических примесей. К примесям относятся оболочки, остатки листьев и стеблей, песок, комочки земли, камни, семена дикорастущих и культурных растений, поврежденные семена основной культуры. Подсолнечник, направляемый на очистку в сепаратор, сортируется на двух парах сит, расположенных параллельно в ситовом корпусе (верхняя и нижняя пара сит).
Для маслосемян подсолнечника применяются сита, указанные в таблице:
|
№п/п |
Наименование сырья |
Верхнее сито, тип, типоразмер, мм. |
Нижнее сито (подсевное), тип, типоразмер, мм. |
|
|
Подсолнечник |
круглая ячейка Ø12мм |
продольная ячейка 1,4х10 |
Типоразмер сит может быть подобран предприятием в индивидуальном порядке с учетом особенностей сырья.
Сход с верхнего сита - крупные примеси, проход нижнего сита - мелкие примеси. В аспирационной камере сырье очищается от легких сухих не прилипающих частиц. Для отделения частиц используется потеря скорости и сила инерции.
После сепарирования маслосемена поступают на рушально-веечное оборудование, на котором осуществляется процесс обрушения и отделения лузги подсолнечника от ядра и далее плющение и формирование мятки перед прессованием.
Очищенные и подготовленные маслосемена подсолнечника поступают в прессовое отделение, где проходят процесс разогрева в жаровнях и после подогрева подсолнечник поступает на первое прессование, где отжимается около 60-70% масла. После 1-ой ступени прессования горячий жмых направляется на второе прессование. На 2-ой ступени прессования отжимается остаточное масло, которое в дальнейшем собирается, проходит систему фильтрации и поступает в емкости для хранения с последующей отгрузкой в автотранспорт. После отжима масла полученный жмых охлаждается и подается в склад для хранения и дальнейшей отгрузки.
Технологический процесс проходит в автоматическом режиме и управляется из операторской. Для управления и обслуживания линии необходимо 1-2 человека. В комплекте поставки может быть предусмотрен комплект видеонаблюдения и удаленный доступ.
- Собственное производство
- Возможность льготного финансирования по линии лизинга
- Быстрая окупаемость
- Универсальность
- Высокая производственная мощность
- Оптимально используется помещение
- Загрузка линии 30 дней в году
- Надежность, устойчивость изнашиваемых деталей
- Бесперебойность работы 24/7
Преимущества оборудования
Прочная конструкция
Стабильное и надежное производство
Максимальная эффективность
Простота в эксплуатации
Простота обслуживания
Сэкономит место
Низкие эксплуатационные расходы
Длительный срок службы