Sunflower processing line from 50-100 t/s (with roaster)
A set of technological equipment designed to produce sunflower oil and cake from sunflower seeds. The integrated line is equipped with an automated control system that monitors all processes, registers all major production indicators, and provides management of all stages of sunflower seed processing - from the acceptance of raw materials to the shipment of finished products.
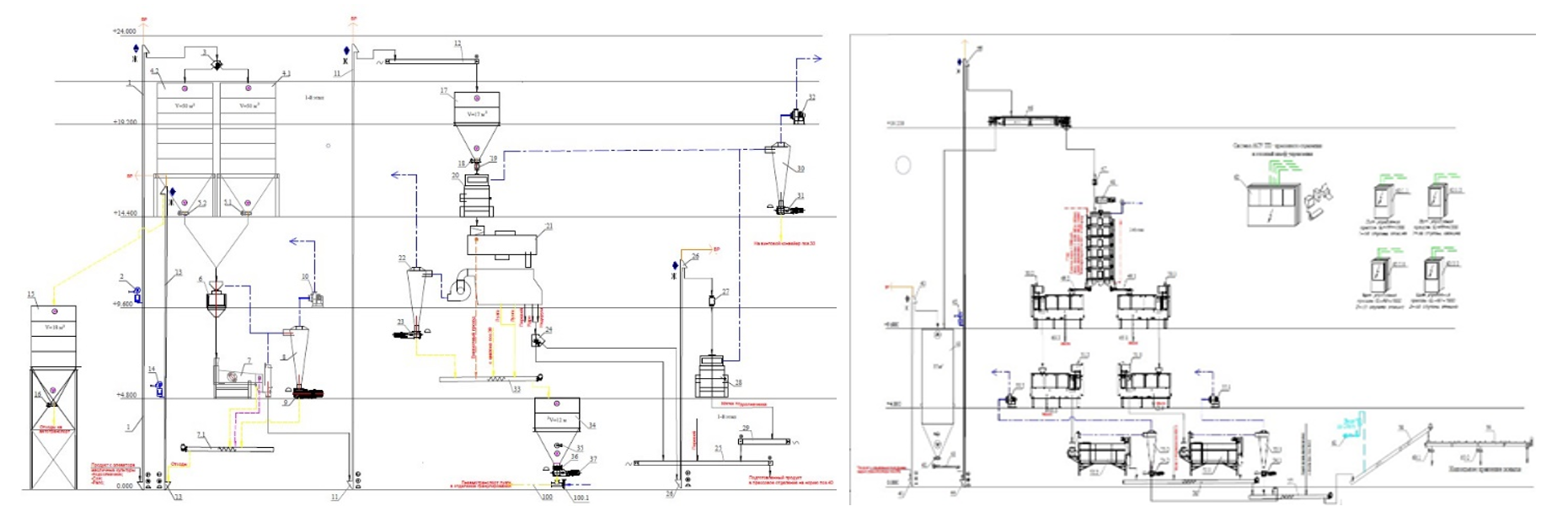
The technological line is based on 3 branches:
- preparatory department:
- rolling and winnowing equipment
- equipment for separating and flattening the core before pressing;
- pressing department:
- highly efficient oil presses of the 1st and 2nd stage of pressing
- braziers for heating raw materials
- cooler for cooling cake
- oil filtration department:
- a filter for primary oil purification.
Each piece of equipment is selected for a specific technological process in accordance with the required capacity of the line.
Appointment
The sunflower processing line is designed to produce high-quality oil cake with minimal residual oil content and maximum yield of sunflower oil from oilseeds. Sunflower oil can be used for both food and technical purposes. The cake is used for livestock feed, or is used as a protein-rich additive in the production of compound feeds. The technological equipment of the line provides the company with protein raw materials in the shortest possible time and is a tool for import substitution.
Raw materials and products
The raw materials are sunflower oil seeds, the products are sunflower oil cake and sunflower oil.
The composition of the processing line:
When completing the line, depending on the performance and needs of the customer, the following equipment of our own production can be used:
- Reception bunker;
- Gate;
- Grain noria;
- Magnetic separator;
- Swing valve, 2-sided, with electric drive;
- Grain cleaning separator CL-S;
- Seed crushing machine;
- The seed machine;
- Flattening machine;
- U-shaped screw conveyor;
- Centrifugal fan;
- Screw conveyor U-shaped tilt;
- Chain Conveyor;
- Operational capacity;
- Noria chain;
- Brazier;
- Oil press GL-RP-1000;
- Oil press GL-OP-1000;
- Oil container with agitator GL-G;
- Cake Shredder;
- Cooling unit GL-OE-1000;
- Vertical pressure plate filter;
- Gear pump NSH;
- Hacoc centrifugal SHOE;
- GL-TA Primary Oil storage tank;
- Compressor installation;
- Rotary blower;
- Control cabinet;
- A set of metal structures;
- Set of mounting materials
Technology
The technological schemes of the sunflower processing line use DOUBLE-PRESSING technologies with heating of raw materials in braziers in order to obtain maximum oil yield. Using different hardware modifications and connection schemes allows us to offer different design solutions for performance, taking into account the technical requirements of customers.

Technological stages
The technological scheme of the sunflower processing line includes the following operations:
- weighing of seeds (additional function)
- cleaning of seeds from dust, sand, stones, large impurities and metal impurities;
- peeling and separation of the husk from the kernel;
- the flattening;
- heating in a brazier
- primary pressing;
- secondary pressing;
- oil purification (filtration);
- oil storage and release;
- cooling, storage and release of cake;
- moistening of cake (additional function).
Before the initial pressing, sunflower oil seeds are cleaned of weeds, oilseeds and metallic impurities. The impurities include shells, remnants of leaves and stems, sand, clumps of earth, stones, seeds of wild and cultivated plants, damaged seeds of the main crop. Sunflower seeds sent to the separator for cleaning are sorted on two pairs of sieves arranged in parallel in the sieve housing (upper and lower pair of sieves).
The sieves indicated in the table are used for sunflower oil seeds.:
| № |
Name of the raw material |
Upper sieve, type, standard size, mm. |
Bottom sieve (sown), type, standard size, mm. |
|
|
Sunflower seeds |
round cell Ø12mm |
longitudinal cell 1.4x10 |
The standard size of the sieves can be selected by the company individually, taking into account the characteristics of the raw materials.
The exit from the upper sieve is large impurities, the passage of the lower sieve is small impurities. In the aspiration chamber, the raw materials are cleaned of light, dry, non-adhering particles. The loss of velocity and the force of inertia are used to separate the particles.
After separation, the oil seeds are delivered to the crushing and winnowing equipment, which performs the process of collapsing and separating the sunflower husk from the core, followed by flattening and forming the mint before pressing.
The cleaned and prepared sunflower oil seeds enter the pressing compartment, where they are heated in braziers and after heating, the sunflower enters the first pressing, where about 60-70% of the oil is squeezed out. After the 1st stage of pressing, the hot cake is sent to the second pressing. At the 2nd stage of pressing, the residual oil is squeezed out, which is subsequently collected, passes through a filtration system and enters storage tanks for subsequent shipment to vehicles. After pressing the oil, the resulting cake is cooled and fed to the warehouse for storage and further shipment.
The technological process takes place in automatic mode and is controlled from the control room. 1-2 people are needed to manage and maintain the line. A video surveillance kit and remote access can be provided in the delivery package.
Advantages
- Own production
- The possibility of preferential financing through leasing
- Fast payback
- Versatility
- High production capacity
- The room is optimally used
- The line is loaded 30 days a year
- Reliability, stability of wear parts
- Uninterrupted operation 24/7
The sunflower processing line is designed to produce high-quality oil cake with minimal residual oil content and maximum yield of sunflower oil from oilseeds. Sunflower oil can be used for both food and technical purposes. The cake is used for livestock feed, or is used as a protein-rich additive in the production of compound feeds. The technological equipment of the line provides the company with protein raw materials in the shortest possible time and is a tool for import substitution.
Raw materials and products
The raw materials are sunflower oil seeds, the products are sunflower oil cake and sunflower oil.
The composition of the processing line:
When completing the line, depending on the performance and needs of the customer, the following equipment of our own production can be used:
- Reception bunker;
- Gate;
- Grain noria;
- Magnetic separator;
- Swing valve, 2-sided, with electric drive;
- Grain cleaning separator CL-S;
- Seed crushing machine;
- The seed machine;
- Flattening machine;
- U-shaped screw conveyor;
- Centrifugal fan;
- Screw conveyor U-shaped tilt;
- Chain Conveyor;
- Operational capacity;
- Noria chain;
- Brazier;
- Oil press GL-RP-1000;
- Oil press GL-OP-1000;
- Oil container with agitator GL-G;
- Cake Shredder;
- Cooling unit GL-OE-1000;
- Vertical pressure plate filter;
- Gear pump NSH;
- Hacoc centrifugal SHOE;
- GL-TA Primary Oil storage tank;
- Compressor installation;
- Rotary blower;
- Control cabinet;
- A set of metal structures;
- Set of mounting materials
The technological schemes of the sunflower processing line use DOUBLE-PRESSING technologies with heating of raw materials in braziers in order to obtain maximum oil yield. Using different hardware modifications and connection schemes allows us to offer different design solutions for performance, taking into account the technical requirements of customers.

Technological stages
The technological scheme of the sunflower processing line includes the following operations:
- weighing of seeds (additional function)
- cleaning of seeds from dust, sand, stones, large impurities and metal impurities;
- peeling and separation of the husk from the kernel;
- the flattening;
- heating in a brazier
- primary pressing;
- secondary pressing;
- oil purification (filtration);
- oil storage and release;
- cooling, storage and release of cake;
- moistening of cake (additional function).
Before the initial pressing, sunflower oil seeds are cleaned of weeds, oilseeds and metallic impurities. The impurities include shells, remnants of leaves and stems, sand, clumps of earth, stones, seeds of wild and cultivated plants, damaged seeds of the main crop. Sunflower seeds sent to the separator for cleaning are sorted on two pairs of sieves arranged in parallel in the sieve housing (upper and lower pair of sieves).
The sieves indicated in the table are used for sunflower oil seeds.:
| № |
Name of the raw material |
Upper sieve, type, standard size, mm. |
Bottom sieve (sown), type, standard size, mm. |
|
|
Sunflower seeds |
round cell Ø12mm |
longitudinal cell 1.4x10 |
The standard size of the sieves can be selected by the company individually, taking into account the characteristics of the raw materials.
The exit from the upper sieve is large impurities, the passage of the lower sieve is small impurities. In the aspiration chamber, the raw materials are cleaned of light, dry, non-adhering particles. The loss of velocity and the force of inertia are used to separate the particles.
After separation, the oil seeds are delivered to the crushing and winnowing equipment, which performs the process of collapsing and separating the sunflower husk from the core, followed by flattening and forming the mint before pressing.
The cleaned and prepared sunflower oil seeds enter the pressing compartment, where they are heated in braziers and after heating, the sunflower enters the first pressing, where about 60-70% of the oil is squeezed out. After the 1st stage of pressing, the hot cake is sent to the second pressing. At the 2nd stage of pressing, the residual oil is squeezed out, which is subsequently collected, passes through a filtration system and enters storage tanks for subsequent shipment to vehicles. After pressing the oil, the resulting cake is cooled and fed to the warehouse for storage and further shipment.
The technological process takes place in automatic mode and is controlled from the control room. 1-2 people are needed to manage and maintain the line. A video surveillance kit and remote access can be provided in the delivery package.
- Own production
- The possibility of preferential financing through leasing
- Fast payback
- Versatility
- High production capacity
- The room is optimally used
- The line is loaded 30 days a year
- Reliability, stability of wear parts
- Uninterrupted operation 24/7
Advantages of the equipment
Robust construction
Stable and reliable production
Maximum efficiency
Easy to operate
Easy maintenance
It will save space
Low maintenance costs
Long service life